咨询热线:13901904599 王经理 | 公司邮箱:1476895264@qq.com
主要技术特点
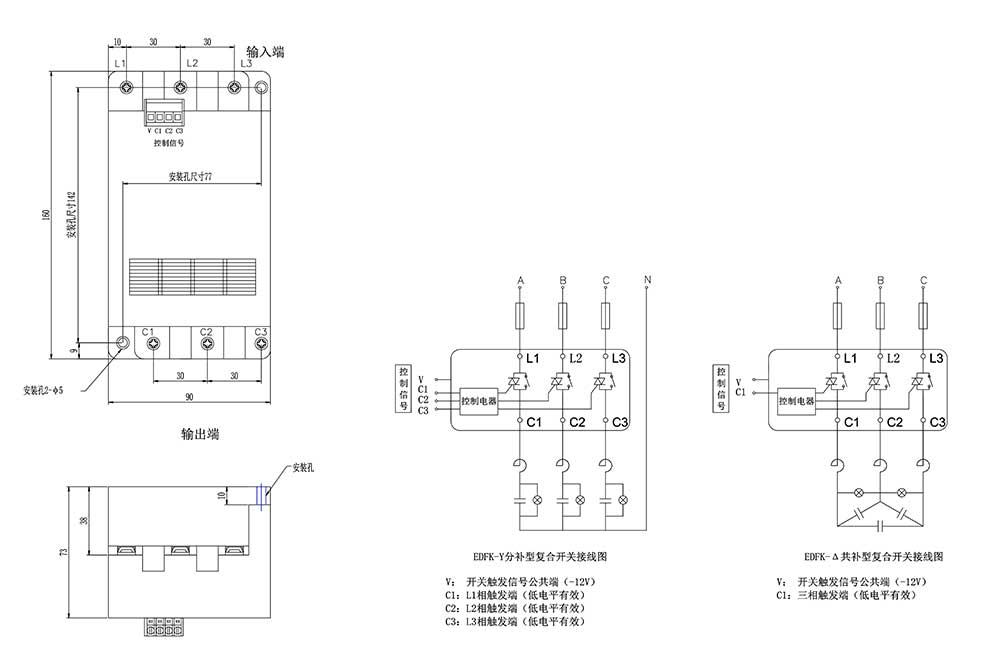
EDFK复合开关是由三个独立的复合开关组成的,适用于低压无功补偿电容组的通断控制。复合开关的基本工作原理是将可控硅与磁保持继电器并接。使复合开关在接通和断开的 瞬间具有可控硅过零投切的优点,而在正常接通期间又具有接触器开关无功耗的优点。
使用条件
1、海拔高度不超于2500米。
2、环境温度-25℃~+50℃。
3、空气湿度在40℃时不超过50%,20℃时不超过90%。
4、周围环境无腐蚀性气体,无导电尘埃,无易燃易爆的介质存在。
5、安装地点无剧烈震动。
6、使用环境的电压畸变率不超过5%,不然必须串联电抗器。
技术参数
额定工作电压380V,220V/AC±20% 电压畸变率≤5%
工作电源380V/220V 额定频率50Hz±5
使用寿命10万次 最大额定电流85A
控制容量(三相≤40KVar:△型接法) (单相 ≤12KVar: Y形接法)
接触压降≤100mV 电路功耗≤1.5VA
响应时间≤1000ms 接点耐压≥1600V
外形尺寸90mm x160mm x73mm 固定尺寸77mm x 142 mm
每次接通与关断间隔≥1秒 导通阻抗≤0.003欧姆
连续两次接通间隔≥100秒{注:当开关接通电源或断开后再导通须延时100秒(内定)}
启动电压 直流 8 ~18V,输入阻抗:≥5.1KΩ 额定信号电压-12V/5mA
绝缘等级:在正常大气条件下≥10MΩ
产品型号
1、产品分类
产品按电容器的补偿方式分为两类:
a. 三相共补型:电容器的连接方式为三角形接法;
b. 单相分补型:电容器的连接方式为星形接法
2、型号命名:EDFK △/Y― V― A
其中:EDFK-表示依顿电容器厂复合开关;
△/ Y表示补偿电容器接法-其中"△"表 示补偿电容器为共补的三角形接法;
"Y"-表示补偿电容器为分补的星形接法;
V表示开关的额定电压;
A-表示开关的额定电流值。
老款产品规格

新款产品型号

老款接线图

新款接线图

新款尺寸图
